Freitag: 8 - 14 Uhr
04103 - 903 87 77
info@four-traders.com
Sie zahlen einfach vorab und erhalten die Ware bequem und günstig bei Zahlungseingang nach Hause geliefert.
Bezahlung per PayPal - einfach, schnell und sicher.
Apple Pay ist die Zahlungsmethode des Unternehmens Apple. Diese Form der Online-Überweisung steht exklusiv nur auf Apple-Geräten zur Verfügung (z.B. Mac, iPhone, iPad).
Debit- und Kreditkartenzahlungen werden mit dem Online Zahlungsdienstleister Mollie durchgeführt. Mollie unterstützt alle weltweit führenden Kreditkartenmarken.
iDEAL ist eine Online-Bezahlmethode, die ausschließlich in den Niederlanden verfügbar ist.
Zahlen Sie mit direkt von Ihrem Bankkonto. Hinweis: Die Zahlart ist nicht in allen Ländern verfügbar; siehe "Versand & Zahlung".
Zahlen Sie nach Erhalt unseres schriftlichen Rechnungsdokumentes. Eine Lieferung auf Rechnung bieten wir nur Firmen (GmbH, GmbH & Co. KG, oHG, AG oder KG), Behörden, Schulen, Konzernen und Großkunden an.
Highlights
- Hohe Tragkraft bis 25 kg
- Kompakte Bauweise mit ca. 500 mm Reichweite
- Flexible Positionierung von Ablagen und Arbeitsmitteln
- Ergonomische Unterstützung für effizientes Arbeiten
- Einfache Integration in das NOVUS TFC System
NOVUS TFC Ablage Faltarm – Maximale Flexibilität für ergonomische Arbeitsplätze
Der Novus TFC Zubehör Faltarm Ablage 500 mm für Alu Profil (969+4029+000) ist eine hochwertige und besonders flexible Erweiterung für moderne Arbeitsplatzsysteme und eignet sich ideal für den Einsatz in Büro-, Industrie- und Leitstandumgebungen, in denen Effizienz, Ordnung und Ergonomie entscheidend sind. Als Bestandteil des modularen NOVUS TFC Systems dient er zur Aufnahme von Ablagen und ermöglicht eine optimale Positionierung von Arbeitsmitteln direkt im Arbeitsbereich.
Durch seine 2-teilige Konstruktion bietet der Faltarm ein hohes Maß an Beweglichkeit und Anpassungsfähigkeit. Arbeitsutensilien lassen sich individuell in der gewünschten Position ausrichten und bei Bedarf platzsparend einklappen. Dadurch bleibt der Arbeitsplatz flexibel nutzbar und kann jederzeit an wechselnde Anforderungen angepasst werden – ideal für dynamische Arbeitsumgebungen.
Die ergonomische Gestaltung sorgt dafür, dass Materialien und Arbeitsmittel stets in optimaler Griff- und Sichtweite positioniert werden können. Dies reduziert unnötige Bewegungen, entlastet Rücken, Schultern und Arme und trägt zu einer gesunden Körperhaltung bei. Gleichzeitig werden Arbeitsabläufe effizienter gestaltet und die Produktivität im Alltag nachhaltig gesteigert.
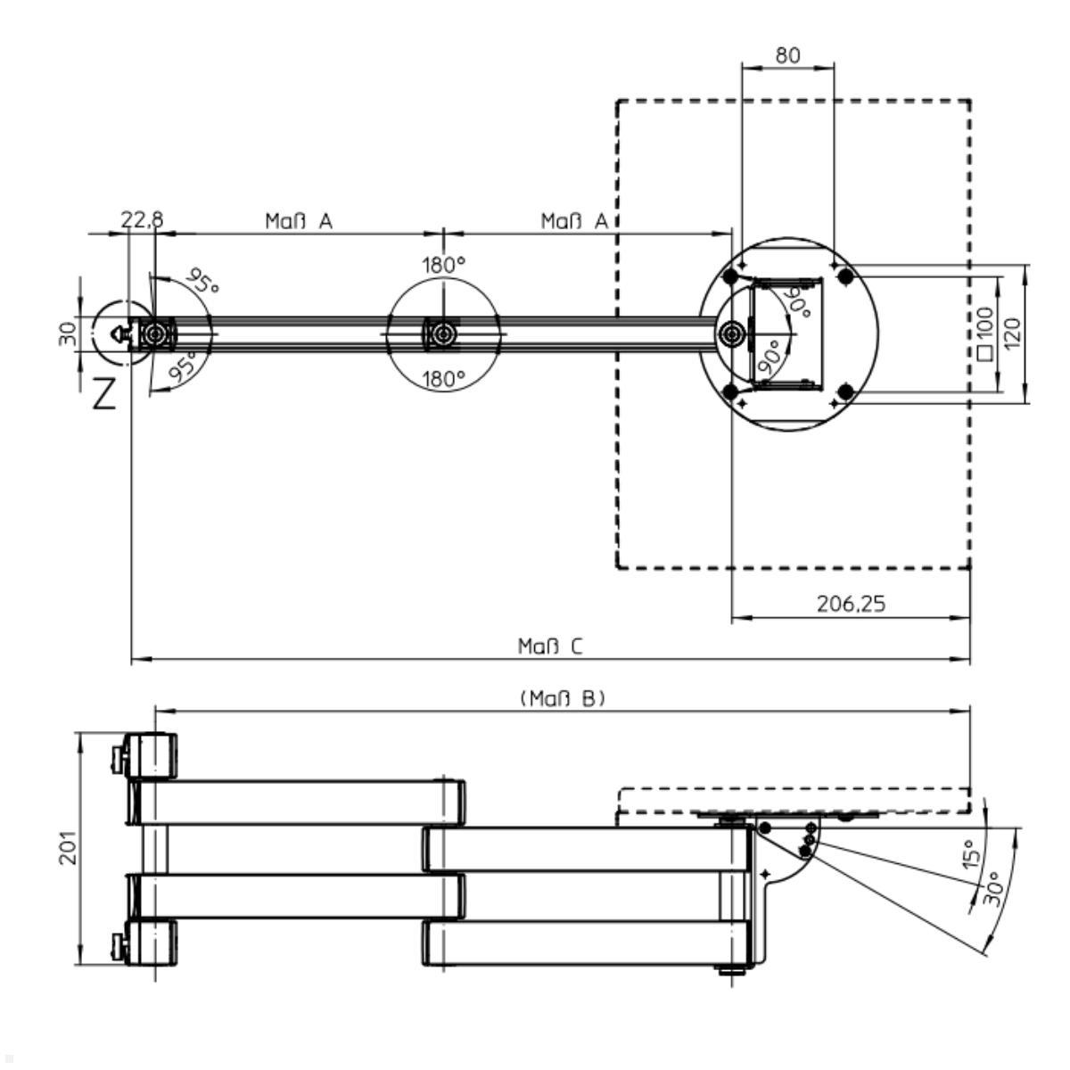
Mit einer Tragkraft von bis zu 25 kg und einer Armlänge von 500 mm bietet der NOVUS TFC Ablage Faltarm eine stabile und zuverlässige Lösung für die Materialbereitstellung. Die drei fest einstellbaren Positionen (0°, 15° und 30°) ermöglichen eine präzise Anpassung an unterschiedliche Anforderungen und sorgen für maximale Flexibilität im Einsatz.
Die robuste Metallkonstruktion und die hochwertige Verarbeitung garantieren eine lange Lebensdauer auch bei intensiver Nutzung. Gleichzeitig überzeugt der Faltarm durch sein modernes, funktionales Design in Silber, das sich nahtlos in bestehende TFC-Systeme integriert und das Gesamtbild professioneller Arbeitsplätze unterstreicht.
Mit dem NOVUS TFC Ablage Faltarm schaffen Sie eine ergonomische, platzsparende und zukunftssichere Arbeitsplatzlösung, die sich flexibel an Ihre individuellen Anforderungen anpasst und für mehr Effizienz im Arbeitsalltag sorgt.
Technische Details
- Tragkraft: bis zu 25 kg
- Reichweite: bis zu 500 mm
- Schwenkbereich: +/- 95°
- Drehbereich: +/- 180°
- 3 Positionen fest einstellbar: 0° - 15° - 30 °
- 2-teiliger Faltarm zur Aufnahme von Ablagen
- Farbe: Silber
| Produktdatenblatt: | |
|---|---|
| Technische Zeichnung: | |
| Montageanleitung: | |
| Tragkraft: | 25 kg |
| Drehen: | 180° |
| Schwenkbereich: | +/- 95° |
| Länge Schwenkarm: | 500 |
| Lieferumfang: | 1x TFC Ablage Faltgarm |
| Installationsmaterial enthalten: | + |
| Hersteller/Importeur: | Novus Dahle GmbH, Breslauer Straße 34-38, 49808 Lingen (Ems), info@novus-dahle.com |
| Beweglichkeit: | Drehbar, Schwenkbar |
| Farbe: | Silber |
Falls bei einem Produkt Warn- und Sicherheitshinweise zu beachten sind, sind diese je nach Hersteller in der jeweiligen Montageanleitung oder in einer separaten pdf zu finden. Verfügbare Dokumente zu dem Produkt entnehmen Sie den vorhandenen PDF Dateien (s.o.).
Download-Bereich - Kataloge, Flyer, Garantiebedingungen, ...
0 von 0 Bewertungen
Durchschnittliche Bewertung von 0 von 5 Sternen
Fragen & Antworten
-
Was ist der NOVUS TFC Ablage Faltarm?
Der NOVUS TFC Ablage Faltarm ist eine hochwertige, flexible Erweiterung für moderne Arbeitsplatzsysteme und Teil des modularen NOVUS TFC Systems. Er verfügt über eine 2‑teilige Konstruktion und eine Tragkraft von bis zu 25 kg.
-
Welche ergonomischen Vorteile bietet der Faltarm?
Er positioniert Materialien und Arbeitsmittel in der optimalen Griff- und Sichtweite, reduziert unnötige Bewegungen und entlastet Rücken, Schultern und Arme – wodurch eine gesunde Körperhaltung unterstützt wird.
-
Wie flexibel ist der Arm in der Nutzung?
Der Arm bietet eine 2‑teilige Konstruktion, drei fest einstellbare Positionen (0°, 15°, 30°) und lässt sich bei Bedarf platzsparend einklappen, um Arbeitsmittel flexibel zu positionieren.
-
Welche technischen Daten gelten?
Tragkraft bis zu 25 kg, Reichweite bis 500 mm, Schwenkbereich ±95°, Drehbereich ±180°, Farbe Silber.
-
In welchem Umfeld kann er eingesetzt werden?
Er eignet sich ideal für Büro-, Industrie- und Leitstandumgebungen und ist Bestandteil des modularen NOVUS TFC Systems.
-
Wie fügt sich das Design in bestehende Systeme ein?
Die robuste Metallkonstruktion in Silber integriert sich nahtlos in vorhandene TFC‑Systeme und überzeugt durch modernes, funktionales Design.
-
Wofür dient der Folding Arm konkret?
Er dient der Aufnahme von Ablagen und ermöglicht eine ergonomische, platzsparende und flexible Nutzung direkt im Arbeitsbereich.